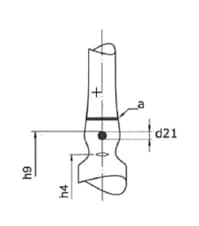
A ampola de Mesigyna® possui dois elementos específicos que indicam o local correto para a abertura:
- Ponto de corte (onde deve-se posicionar o dedo): representado por um ponto escuro (h9 na figura)
- Marca de corte (ritz) (onde a ampola deve ser quebrada): localizada no gargalo da ampola (h4 na figura)

Além desses elementos, existe também uma linha de marcação na parte superior da ampola (a na figura).
É importante esclarecer que essa tarja não indica o ponto de quebra.
Esclarecemos que não foram identificados problemas de qualidade no produto, e que a atenção às marcações corretas é fundamental para o uso adequado.
Em caso de informações adicionais, entre em contato com Serviço de Atendimento ao Consumidor da Bayer por meio do número 0800 7021241 ou do e-mail sac@bayer.com